| QGSY(TH)系列精小型氣動裝置 |
| 產品型號:QGSY(TH) |
|
|
產品概述:
用途
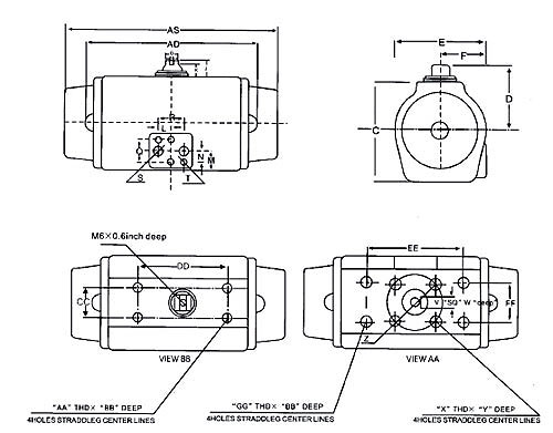
QGSY(TH)系列精小型氣動裝置,是我廠引進國內外工藝技術開發生產,并通過專業閥門測試中心,對該產品進行全方位的測試,檢定是一種高技術性能的雙活塞式執行機構。它以壓縮空氣為動力,可作用于各類旋轉型直行程類調節閥、球閥、蝶閥、截止閥等。它的驅動機構,角度回轉工作時產生回轉角度,直行程由氣缸產生推力,實列上下移動。該產品廣泛應用于石油、化工、輕工、機械、食品、制藥、紡織、造紙等工業等線和機械控制行業,可實現遠距離集中控制與現場操作。
特點
1、選用齒輪式雙活塞轉動擺動、輸出力矩大、體積小。
2、氣缸選用鋁合金材料重量輕、外形美觀。
3、可在頂部、底部按裝手動操作機構。
4、齒條式連接可調節、開啟角度、額定水流量。
5、執行器帶有電訊號反饋指示,可實現自動化操作。
6、IS05211標準連接法蘭為更換和安裝提供了方便。
7、兩端的行程調整螺釘可使標準產品在0°和90°兩位置有+(-)4的可調范圍,確保與閥門的同步精度。
|
主要性能參數:

|
|